Будьте всегда в курсе!
Узнавайте о скидках и акциях первым
Новости
Все новости
27 марта 2025
Сообщаем о закрытии магазина на Матусевича 35!
18 декабря 2024
График работы магазинов в праздничные и предпраздничные дни!
1 июля 2024
Сообщаем о работе магазинов в июле 2024!
Замок врезной Эльбор КРЕМЕНЬ 1.03.03
Артикул:
4607118838622
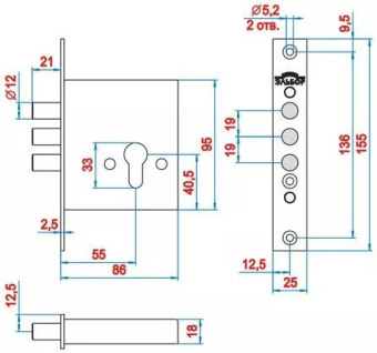
1.03.03 Замок врезной КРЕМЕНЬ никель, под цилиндр- стержни 3 шт., диаметр 12мм
Подробнее
35 руб./шт
Достаточно
-
+
Цены на сайте указаны розничные с НДС. Для уточнения оптовых цен свяжитесь с менеджером
- Описание
- Отзывы
- Наличие
-
ОписаниеВрезной цилиндровый замок Эльбор Кремень 1.03.03 подходит для деревянных и металлических дверей толщиной от 30 мм. Эльбор Кремень 1.03.03 имеет уникальные посадочные размеры, поэтому мы можем рекомендовать данную модель в качестве замены аналога после поломки. Особенности дверного замка Эльбор 1.03.03: 3 стальных ригеля ø12 мм. Двухходовый засов (замок закрывается на два оборота). Отверстия под броненакладку. Без защелки и отверстия под фалевую ручку. Комплектация: корпус замка (без цилиндрового механизма), накладки на скважину (2 шт.), винт фиксации, крепеж. В комплект НЕ ВХОДЯТ цилиндровый механизм и ответная планка.
Характеристики
Производитель Эльбор Тип замка верхний Тип механизма секретности цилиндровый ?Backset/дорнмасс, мм.33355 Количество ригелей 3 Диаметр ригеля, мм. 12 Вылет ригеля, мм. 21 Доп. Запирание (верх/низ) нет - Отзывы
-
НаличиеИНТЕРКОМ склад (г. Минск, ул. Домбровская 15) тел: Vel.: +375 29 634 01 89график работы: Пн-Пт. 9.00 - 17.30Метро: Кунцевщина
ДостаточноМагазин на Матусевича (склад) (Матусевича 35, ТЦ Домашний Очаг, отдельный вход в 5м. правее от главного входа) тел: +375 44 555 60 05график работы: Ежедневно с 10.00 - 20.00Метро: Кунцевщина
Под заказ



